可编程并行接口芯片8255A相连的示意图

黑黑的大帅 2022-09-19 17:30:57

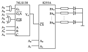
如下图所示,是3-8译码器与可编程并行接口芯片8255A相连的示意图,问:

1)、从图中可以猜出,8255A最多有几个端口?

2)、分别给出8255A的几个端口地址,并给出分析步骤或方法。

 

 

...全文
168 1 打赏 收藏 转发到动态 举报
写回复
用AI写文章
1 条回复
切换为时间正序
请发表友善的回复…
发表回复
晴雨沙沙 2024-09-26
  • 打赏
  • 举报
回复

1

114,777

社区成员

发帖
与我相关
我的任务
社区描述
本社区给芯片工程师提供分享技术文章、讨论技术细节的场地。内容包括但不限于芯片设计、验证、封测。 数字IC精品文章收录(CSDN近500篇) http://t.csdn.cn/QbivO
社区管理员
  • MangoPapa
  • 张江打工人
  • IC_Novice
加入社区
  • 近7日
  • 近30日
  • 至今
社区公告
  1. 欢迎大家投稿、提问、回答问题 ~
  2. 有意愿服务本社区的请私信 MangoPapa 或 发邮件至 mangopapa@yeah.net
  3. 芯片相关友好社区,欢迎加入互通交流! “芯片爱好者聚集地社区” http://t.csdn.cn/sUFm

数字IC精品文章收录(CSDN近500篇)
       数字IC精品文章收录(500篇)

学习路线|基础知识|接口|总线|脚本语言|芯片求职|安全|EDA|工具|低功耗设计|Verilog|低功耗|STA|设计|验证|FPGA|架构|AMBA|书籍|

试试用AI创作助手写篇文章吧