查找QAE2164/QAE2174温度传感器图片资料,就上易云维®产业电商app

智能节能君 2023-09-01 14:27:30

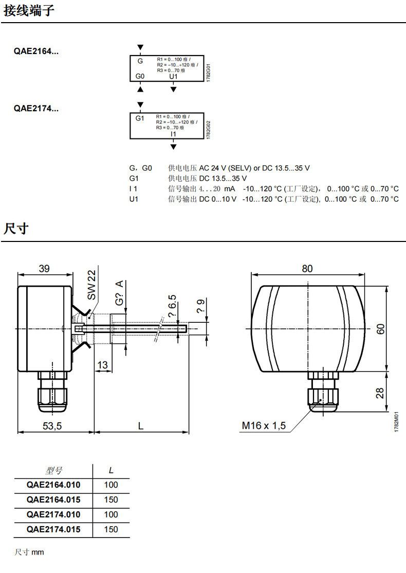
西门子Siemens浸入式温度传感器QAE2164/QAE2174

1.获取水管内或容器内流体温度的有源传感器

2.工作电压AC24V或DC 13...35 V

3.信号输出DC...10V或4...20 mA

用途

传感器用于通风及空调设备中的以下用途:

1.控制和限定供水温度

2.限定回水温度控制

3.生活热水温度

 

...全文
590 回复 打赏 收藏 转发到动态 举报
写回复
用AI写文章
回复
切换为时间正序
请发表友善的回复…
发表回复

16,620

社区成员

发帖
与我相关
我的任务
社区描述
设备云平台工程、物联网工程、电气自动化技术交流社区
阿里云腾讯云华为云 个人社区 浙江省·杭州市
社区管理员
  • 一直在尽头
  • 亦世凡华、
  • 敬 之
加入社区
  • 近7日
  • 近30日
  • 至今
社区公告
暂无公告

试试用AI创作助手写篇文章吧