单片机供电电路设计问题点

金丶丶丶 2023-09-04 14:52:59

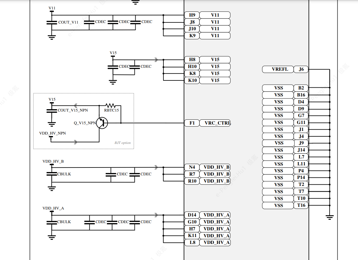
 如上图所示,单片机供电引脚,每个引脚分配一个100nf的去耦电容,CDEC为100nf,CBULK为4.7uF,为何部分端口有五个端口,而所绘制的图里面只有四个电容,而且一个是CBULK的大电容,还有就是,CBULK这个大电容放的位置应该放在这些PIN脚其中的哪个脚旁边.

...全文
732 1 打赏 收藏 转发到动态 举报
写回复
用AI写文章
1 条回复
切换为时间正序
请发表友善的回复…
发表回复
CSDN-Ada助手 2023-09-04
精选
  • 打赏
  • 举报
回复
您的问题已经帮您同步至问答, 链接: https://ask.csdn.net/questions/7995323, 请您保持关注, 如果回答有帮助解决此问题, 麻烦您动动小手给相关的回答点赞, Ada会在评论区为您更新结题状态

6,171

社区成员

发帖
与我相关
我的任务
社区描述
硬件/嵌入开发 硬件设计
社区管理员
  • 硬件设计社区
加入社区
  • 近7日
  • 近30日
  • 至今
社区公告
暂无公告

试试用AI创作助手写篇文章吧