14
社区成员
发帖
与我相关
我的任务
分享





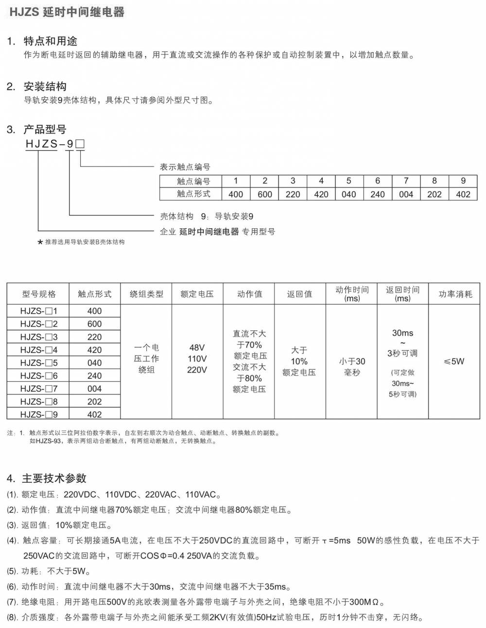
HJZS系列延时中间继电器型号
HJZS-91延时中间继电器;HJZS-92延时中间继电器;
HJZS-93延时中间继电器;HJZS-94延时中间继电器;
HJZS-95延时中间继电器;HJZS-96延时中间继电器;
HJZS-97延时中间继电器;HJZS-98延时中间继电器;
HJZS-99延时中间继电器;
一、基本特性
品牌与产地:HJZS-97延时中间继电器由上海约瑟电器有限公司生产,产地为浙江。
类型:作为断电延时返回的辅助继电器,用于直流或交流操作的各种保护或自动控制装置中,以增加触数量。
安装方式:导轨安装,具体尺寸可参考外型尺寸图。
触点容量:触点容量大,可长期接通5A电流,在特定条件下可断开较大的感性或交流负载。
延时范围:延时时间可调,范围通常在0.02~9.99秒之间。
二、技术参数
额定电压:AC110V, 220V(交流);DC110V, 220V(直流)。
额定电流:5A。
整定电流:2A。
额定功率:不大于3W。
动作时间:小于0.5mT(毫秒级时间单位,但通常使用毫秒ms表示,此处可能为笔误),实际动作时间对于直流中间继电器不大于30ms,交流中间继电器不大于35ms。
重复误差:未直接给出,但一般延时继电器会有一定的时间误差范围。
工作环境温度:可达45℃,正常工作环境温度范围为-15℃~55℃。
工作海拔高度:可达2000米。
控制电源类型:交流/直流。
控制电源电压:通常为220V。
控制电源频率:50Hz。
三、应用场景
HJZS-97延时中间继电器广泛应用于工业自动化控制、电气设备保护、通信系统和家庭电器控制等领域。例如,在电动机控制中,它可以从外部控制信号输入后,等待一定时间再使电机启动或停止,以达到更好的控制效果;在安防系统中,它可以用于延时触发警报和报警装置,避免误报和误触发。
四、选购与配置
在选购和配置HJZS-97延时中间继电器时,需要根据具体的应用场景和需求来确定所需的延时时间、触点容量、额定电压等参数。同时,还需要考虑继电器的安装方式、尺寸以及与其他设备的兼容性等因素。
综上所述,HJZS-97延时中间继电器是一种功能强大、性能稳定的继电器产品,能够满足多种工业自动化控制和电气设备保护的需求。在选购和使用时,建议根据实际需求进行选择和配置。
