1,365
社区成员
发帖
与我相关
我的任务
分享目录
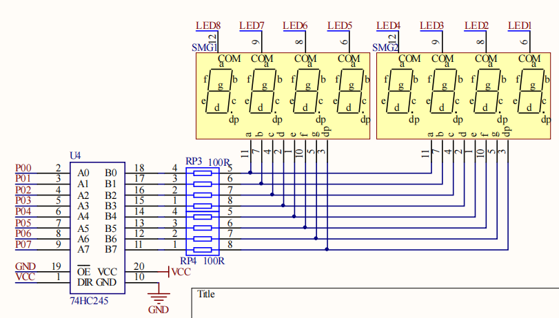
本次实验使用到的是普中51单片机实验板,完成的项目为开发板上数码管的显示,显示数据为:数字0~9与大写字母A~F。
51开发板也称51单片机实验板、51单片机学习板。是用于学习51型号的单片机的实验及学习器件,他是将51单片机常用的外围。比如流水灯,数码管,矩阵键盘,EEPROM,时钟,蜂鸣器,继电器及集成在一小块电路板上。便于携带及学习,直接插在PC机上面。随时随地的进行学习,另外一些中小型项目也可以直接在此板上面进行二次开发,开发完成后即可以在此基础上面重新画图做板,极大的缩短了公司的开发周期,节省硬件成本。
数码管,也称作辉光管,是一种可以显示数字和其他信息的电子设备。玻璃管中包括一个金属丝网制成的阳极和多个阴极。大部分数码管阴极的形状为数字。管中充以低压气体,通常大部分为氖加上一些汞和/或氩。给某一个阴极充电,数码管就会发出颜色光,视乎管内的气体而定,一般都是橙色或绿色。


数码管想要显示相应的数据便需要有相应的段选。通过点亮不同指定序列的数码管实现不同的数字或字母显示。而数码管的段选又区分为共阴极与共阳极。数码管的段码如下图所示:

